आम्हाला ईमेल करा
बातम्या

मिनी उत्खनन करणार्‍यांचे बांधकाम आणि देखभाल

मिनी उत्खनन करणार्‍यांचे बांधकाम आणि देखभाल


मिनी उत्खनन कन्स्ट्रक्शन इनोव्हेशन आणि इंटेलिजेंट मेंटेनन्स: लहान शरीर मोठे प्रकल्प वाहून नेणारे


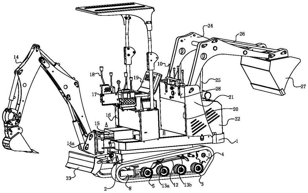
1 Mini मिनी उत्खनन करणार्‍यांच्या बांधकामाचे विश्लेषण: चार आयामी तंत्रज्ञान 'स्पेस जादूगार'

चेसिस आणि चालण्याची प्रणाली:


टेलिस टर्निंग डिझाईनः सॅनी एसवाय 18 यू सारख्या मॉडेल्सने "शून्य शेपटीचा प्रोट्र्यूजन" रचना स्वीकारली आहे, ज्यामध्ये केवळ 0.86 मीटरची शेपटी फिरणारी त्रिज्या आहे, ज्यामुळे भिंतींशी टक्कर न घेता अरुंद बोगद्यात 360 ° फ्री रोटेशन मिळते. त्याच वेळी, आमचा 0.8 ट्टन मिनी उत्खनन देखील 1.1 मीटरच्या वळण त्रिज्या प्राप्त करू शकतो, ज्यामुळे अरुंद जागांमध्ये विनामूल्य आणि लवचिक ऑपरेशन होऊ शकते.


समायोज्य ट्रॅक फ्रेम: ट्रॅक गेज मुक्तपणे समायोजित केले जाऊ शकते (जसे की एसवाय 16 सी 980-1350 मिमी विस्तार आणि आकुंचन समर्थन करते), 1 मीटरच्या अरुंद गल्ली ओलांडणे सोपे करते. रबर ट्रॅक ग्राउंडिंग प्रेशर 25 केपीएपेक्षा कमी आहे, जे फरसबंदीच्या मैदानाचे रक्षण करते.


सेल्फ वंगण बेअरिंग्ज: यानमार चेसिस पारंपारिक बॉल बीयरिंगऐवजी इग्लिडूर जी मालिका प्लास्टिक बीयरिंग्ज वापरते, जे अँटी फाउलिंग, अँटी गंज आणि देखभाल मुक्त आहेत, सेवा आयुष्य तीन वेळा वाढवते.




पॉवर आणि हायड्रॉलिक सिस्टम:


ड्युअल मोड पॉवर रेव्होल्यूशन: लहान उत्खनन करणारा कुबोटा केएक्स ०१ depased चा अवलंब करतो, जो डिझेल/इलेक्ट्रिक वन क्लिक स्विचिंगला समर्थन देतो, 20 केडब्ल्यूएच बॅटरी पॅक 8 तासांची श्रेणी प्रदान करते आणि घरातील ऑपरेशन आवाज 66 डेसिबलपेक्षा कमी आहे.


इंटेलिजेंट हायड्रॉलिक नियंत्रण: लोड संवेदनशील तंत्रज्ञान (जसे शेंगांग एसके 35 एसआर -6) प्रवाह वितरण अचूकता ± 1.8%, संयुक्त कृती प्रतिसाद गती 0.7 सेकंद आणि उर्जा वापर कमी 22%प्राप्त करते.




कार्यरत उपकरणांची वाढ:


प्रतिरोधक रचना परिधान करा: कॉम्पॅक्ट उत्खननकर्त्याच्या भरभराटीच्या स्पष्ट संयुक्तने कार्बोरिझिंग हीट ट्रीटमेंट (कठोरता एचआरसी 55+) केले आहे आणि बादली हार्डॉक्स 500 वेअर-रेझिस्टंट प्लेट (कठोरता एचबी 500) सह वेल्डेड आहे, ज्यामुळे आपले सेवा आयुष्य 30%वाढते.


साइड मूव्हिंग आर्म पेटंट: कुबोटा अंडर -15-3 एस 355 मिमी/350 मिमीच्या उजव्या विचलनाचे डावे विचलन प्राप्त करते आणि भिंत आरोहित उत्खनन शरीरास हलविण्याची आवश्यकता नाही.


रोटरी डिव्हाइस, 360 ° अष्टपैलू ऑपरेशन, विविध कार्यरत वातावरणाशी जुळवून घेण्यासाठी लवचिक.


मानवी संगणक संवाद अपग्रेड


प्रतिरोधक कॅब रोल करा: आरओपीएस/एफओपीएस (16 टन स्थिर दाब प्रतिरोधक), फ्लोटिंग सीट्स, एलसीडी टच स्क्रीन आणि एआय सभोवताल दृश्य मॉनिटरिंगसह सुसज्ज, आंधळे स्पॉट्स 40%कमी करतात.


2 、 देखभाल आणि दैनंदिन देखभाल:

दैनंदिन देखभालचा सुवर्ण नियम


हायड्रॉलिक तेल व्यवस्थापन: उन्हाळ्यात अँटी-वेअर हायड्रॉलिक तेल क्रमांक 68 आणि हिवाळ्यात कमी व्हिस्कोसिटी ऑइल क्रमांक 32 वापरा. पंप आणि वाल्व पोशाख टाळण्यासाठी नियमितपणे एनएएस (≤ स्तर 8) ची स्वच्छता तपासा.


बटर फिलिंग सायकल: रोटरी बेअरिंगसाठी दर 10 दिवसांनी ग्रीस इंजेक्शन द्या आणि पिन शाफ्ट अडकण्यापासून टाळण्यासाठी कार्यरत डिव्हाइसच्या बिजागर बिंदूसाठी दर 4-8 तासांनी उच्च-दाब ग्रीस इंजेक्शन द्या.




मुख्य घटक जीवन विस्तार तंत्र:


ट्रॅक सिस्टम: खूप सैल (जंपिंग दात) किंवा खूप घट्ट (वेगवान पोशाख) होऊ नये म्हणून तणाव समायोजित करा; सहाय्यक चाकाचे सीलिंग अपयश रोखण्यासाठी नियमितपणे रेव स्वच्छ करा.


"पोशाख लोखंडी त्रिकोण" ची देखभाल:

क्रॅक/500 एच साठी शू तपासणीचा मागोवा घ्या

ड्राइव्ह स्प्रॉकेट दात ग्राउंड फ्लॅट असतात आणि त्वरित बदलले जातात

जड चाक सील तेलाची गळती दुरुस्त करणे आवश्यक आहे

स्टोव्हर्स कॅटच्या आकडेवारीनुसार, चेसिसच्या 80% अपयश या तीन प्रकारच्या घटकांमुळे होते.


अत्यंत कामकाजाची परिस्थिती हाताळण्यासाठी मार्गदर्शक तत्त्वे:


उच्च उंची ऑपरेशन: मिनी उत्खननाच्या टर्बोचार्ज्ड इंजिनमध्ये पॉवर भरपाई 15%आहे आणि हायड्रॉलिक सिस्टम प्रवाह कमी होण्यापासून रोखण्यासाठी प्रेशर नुकसान भरपाईच्या झडपाने सुसज्ज आहे.

वॉटर वेडिंग ऑपरेशन: इटालियन पूर बचावामध्ये, आधुनिक एचएक्स 35 एझेडने सीलबंद सर्किट मॉड्यूलद्वारे 0.8 मीटरची वेडिंग खोली प्राप्त केली.


दीर्घकालीन संचयन मानके:


कोरड्या खोलीत पार्क करा, ग्राउंडिंग प्रेशर कमी करण्यासाठी ट्रॅकला समर्थन द्या;

संक्षेपण टाळण्यासाठी इंधन टाकी भरा, सील वृद्धत्व रोखण्यासाठी सर्व हायड्रॉलिक सिलेंडर्स मागे घ्या;

सर्किट बोर्ड ओलसर होण्यापासून रोखण्यासाठी दर 3 महिन्यांनी एकदा प्रारंभ करा.


3 、 तांत्रिक फ्रंटियर: औद्योगिक पर्यावरणाची विद्युतीकरण आणि बुद्धिमान पुनर्रचना

शक्ती क्रांती:


मॉड्यूलर बॅटरी: हिटाची झेडएक्स 55 यू -6 ईबी 6 तासांत 10 तासांच्या ऑपरेशनसाठी 2-तास वेगवान चार्जिंगसह व्यावसायिक शक्ती आणि बॅटरीच्या ड्युअल ड्राइव्हला समर्थन देते.


हायड्रोजन एनर्जी टेस्टः एचडी ह्युंदाईने शून्य कार्बन बांधकाम साध्य करण्यासाठी हायड्रोजन इंधन इंजिन (एचएक्स 12) विकसित केले आहे.


भविष्यवाणीची देखभाल:


आयओटी रिमोट डायग्नोसिसः सॅनी एसवाय 35 यू हाय मॅट सिस्टमसह सुसज्ज आहे, जे तेलाचे तापमान आणि कंपन डेटाचे रिअल टाइममध्ये विश्लेषण करते, फॉल्ट चेतावणी अचूकतेसह 92%.


एआर देखभाल सहाय्य: केईस मायक्रो उत्खनन लहान उत्खनन करणार्‍यांना व्हीआर ऑपरेशन प्रशिक्षण प्रदान करते, 30 फॉल्ट परिस्थितींचे अनुकरण करते आणि देखभाल कार्यक्षमता 40%वाढवते.


4 、 व्यावहारिक साक्षीदार: प्राचीन घराच्या जीर्णोद्धारापासून ते खाण हाताळणीपर्यंत

तैझोऊ मधील मिंग आणि किंग राजवंश विद्वानांच्या निवासस्थानाची जीर्णोद्धारः कुबोटा अंडर -15-3 एस लहान उत्खननाने 0.85 मीटर कमानीद्वारे भूमिगत पाईप खंदकाचे उत्खनन पूर्ण केले आणि बूमच्या बाजूकडील हालचाली कार्याने 95% अखंड दरासह प्राचीन भिंतीस संरक्षित केले.


चिली तांबे खाणीतील भूमिगत ऑपरेशन्स: सुधारित प्रबलित कॅबसह कॉम्पॅक्ट उत्खननकर्ता कोणत्याही बिघाडांशिवाय 300 तास सतत चालवितो, परिणामी लोडिंगच्या किंमतींमध्ये 23% घट होते.


टोकियो नाईटटाइम म्युनिसिपल कन्स्ट्रक्शनः सॅन सी एसई 19 ई मिनी उत्खननाची शुद्ध इलेक्ट्रिक आवृत्ती शहराच्या "कन्स्ट्रक्शन टाइम विंडो" च्या समस्येचे निराकरण करून 66 डेसिबलवर शांतपणे कार्य करते.


निष्कर्ष: एक लहान शरीर एक मोठे भविष्य घेते

०.8-टन अल्ट्रा-पातळ मॉडेलपासून ते-टन हेवी-ड्यूटी योद्धा पर्यंत, लहान उत्खननात सुस्पष्ट बांधकाम, वैविध्यपूर्ण उर्जा स्त्रोत आणि बुद्धिमान देखभाल, जागतिक बांधकाम प्रतिमानाचे आकार बदलून तिहेरी उत्क्रांती सुरू आहे. २०२25 पर्यंत भारतीय बाजारपेठेत वार्षिक विक्री 00१०० युनिट्सपेक्षा जास्त आणि इलेक्ट्रिक मोटर्ससाठी अंदाजे प्रवेश दर 40०% आहे, ट्रिलियन डॉलरच्या बाजारपेठेत "स्मॉलचा वापर करणे" या तांत्रिक क्रांतीने ट्रिलियन डॉलरच्या बाजारपेठेत सुवर्ण संधी उघडकीस आणली आहे.


उद्योग देखभाल अनुभव:

कॉम्पॅक्ट उत्खनन करणार्‍यांसाठी, सुस्पष्टता डिझाइन ही कणा आहे, तर बुद्धिमान देखभाल ही लाइफब्लूड आहे, देखभाल खर्चाची बचत 1 युआनने आणि 10 युआनद्वारे दुरुस्ती खर्च कमी करणे.



संबंधित बातम्या
मला एक संदेश द्या
दूरध्वनी
+86-18153282520
मोबाईल
पत्ता
चांगजियांग वेस्ट रोड, हुआंगदाओ जिल्हा, किंगदाओ शहर, शेडोंग प्रांत, चीन
X
आम्ही तुम्हाला एक चांगला ब्राउझिंग अनुभव देण्यासाठी, साइट रहदारीचे विश्लेषण करण्यासाठी आणि सामग्री वैयक्तिकृत करण्यासाठी कुकीज वापरतो. ही साइट वापरून, तुम्ही आमच्या कुकीजच्या वापरास सहमती देता. गोपनीयता धोरण
नकार द्या स्वीकारा